PRODUCTS

产品展示

气动调节蝶阀
工作原理:


ZMAW气动薄膜调节蝶阀/ZSRW、ZSCW气动活塞调节蝶阀输 入控制信号(4-20mADC或1-5VDC)气源即可控制运转,结构简单紧凑,加工方便,易制成大口径,具有自清洗作用,阻力系数小,流通能力大。适用 于悬浮颗粒的流体及浓、浊浆状流体的调节。干净介质,可选用阀板加软密封(橡胶圈、四氟圈)来减少泄漏(可达0.01%),高温高压工况可选用三偏心硬密 封阀体。订货时要予以注明即可。


注:括号内数值为带定位器的允许压差。

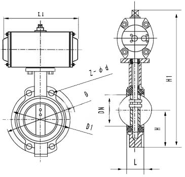
气动调节蝶阀主要外形尺寸

ZMAW气动薄膜调节蝶阀


返回
二维码